

联系我们
东莞市星羚环保设备有限公司
电话:0769-89776543
传真:0769-85520115
黄先生 18926896642(技术经理)
陈小姐 15817691220(业务)
邮箱:1040868244@qq.com
2061999434@qq.com
网址:www.hfgfj.com
地址:东莞市虎门镇龙眼工业区6路59号
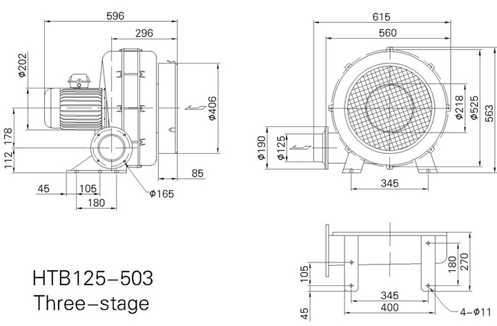
产品型号:HTB125-503 3.7Kw 马达相数:三相
风机材质:铝风机 额定功率:3.7 Kw
最大流量:19 m³/min 最大静压:580 mmH2O
出口口径:125 mm 噪声等级:80 dB
产品重量:62 kg 输出电压:380 V
外型尺寸:(L*W*H):596*615*563
